NEWS
REVIEW
All
Components
Gadget
Game
Laptop & PC
Review Axioo Hype AI 5: Laptop AI Termurah 2026 dengan Baterai 12 Jam!
ASUS ProArt GoPro Edition: Monster Ringkas Incaran Kreator Kekinian!
Review ASUS Zenbook S16 OLED (UM5606GA): Performa Sadis & Garansi Paling Aman!
Harga Samsung Galaxy S24 FE 2026 Turun Drastis! Masih Worth It untuk THR Lebaran?
TIPS & TRICK
ABOUT US
No Result
View All Result
11tahun
About PEMMZCHANNEL – Media Online Review Laptop Gaming Terdepan di Indonesia
About Pemmzchannel – Media Online Review Laptop Gaming Terdepan di Indonesia (old)
About Us
Advertise With US
ASK Pemmzchannel
Contact Us
DWQA Ask Question
Featured at Pemmzchannel
IMPORT
Latest Pemmzchannel Video
News
Newsletter
Newsletter
Pemmz Gr8est Surprize
Pemmzchannel – Media Informasi, Review Gadget & Gaming
Privacy Policy
Promo PEMMZ Yogya
Shortcodes
Submit Karya
Subscribe to Pemmzchannel.com
Tarif JNE
test speed page
NEWS
REVIEW
All
Components
Gadget
Game
Laptop & PC
Review Axioo Hype AI 5: Laptop AI Termurah 2026 dengan Baterai 12 Jam!
ASUS ProArt GoPro Edition: Monster Ringkas Incaran Kreator Kekinian!
Review ASUS Zenbook S16 OLED (UM5606GA): Performa Sadis & Garansi Paling Aman!
Harga Samsung Galaxy S24 FE 2026 Turun Drastis! Masih Worth It untuk THR Lebaran?
TIPS & TRICK
ABOUT US
No Result
View All Result
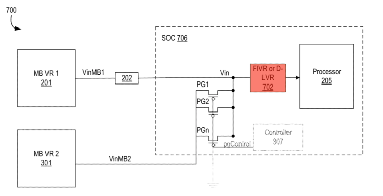
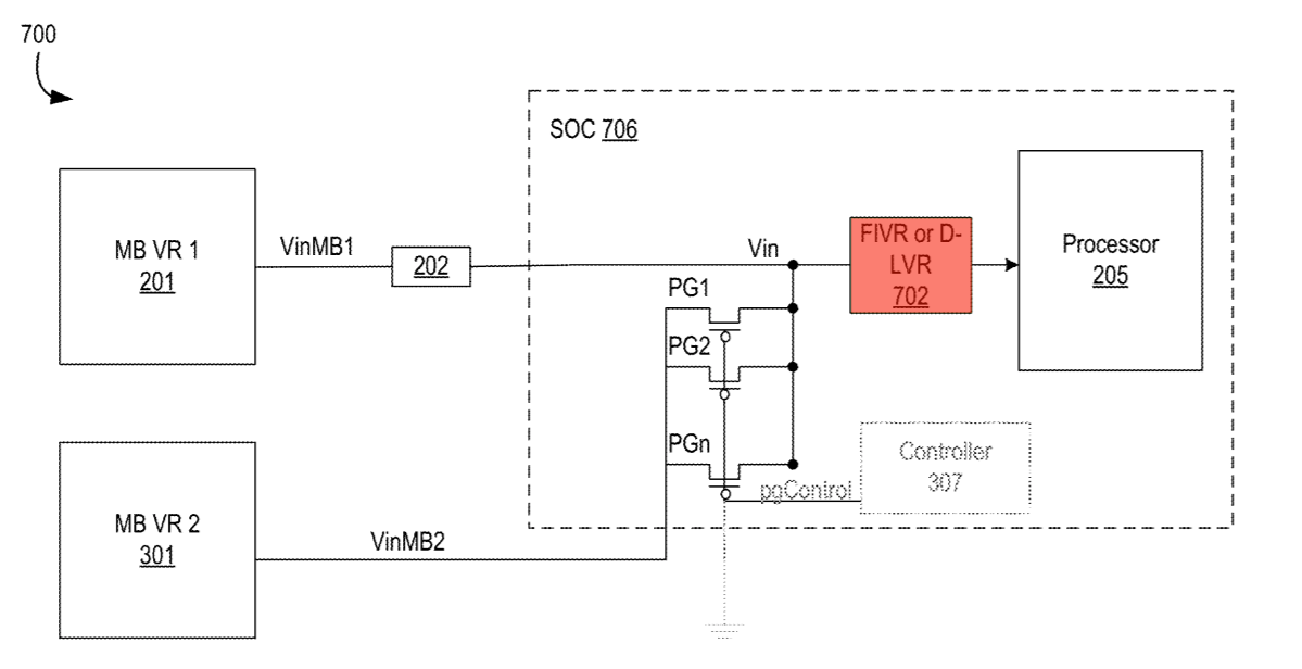
Intel-Raptor-Lake-DLVR
Trending
Comments
Latest
Tips dan Trick : Cara Mengetahui Password WIFI dengan CMD
05/09/2019
Baru nih, ASUS VivoBook 14 A442U – Kini dengan Intel Generasi ke-8
07/11/2017
Cara Cek Kapasitas RAM Maksimal di PC atau Laptop Windows
30/07/2021
Cara Installasi Driver GPU yang Baik dan Benar
07/02/2013
Review ASUS A451LB: Pengganti sang legenda A46CB + Tutorial Upgrade RAM
300
Cara Installasi Driver GPU yang Baik dan Benar
150
Clash of Clans : Town Hall 11 hadir sebagai update terbaru? (updated)
146
Review Asus A456UF – A Series Pertama Asus Dengan Intel Skylake
119
Robot Vacuum Xiaomi H50 Series Hadir di Indonesia, Bisa Pel Otomatis Tanpa Ribet!
17/04/2026
Huawei Watch Fit 5 Series Siap Rilis 20 April 2026, Ini Bocorannya!
17/04/2026
Google Rilis Pixel 9 Pro Fold, Bawa AI Gemini Nano Bikin HP Makin Pintar!
17/04/2026
Laptop Intel Core Ultra Series 3 Resmi Hadir di Indonesia, AI PC Jadi Lebih Canggih!
16/04/2026
×
No Result
View All Result
NEWS
REVIEW
TIPS & TRICK
ABOUT US
© 2024 Pemmzchannel